1. Appearance Requirements:
(1) The product surface must be free from defects affecting aesthetics, such as shrinkage marks, air bubbles, cracks, burrs, stains, lack of adhesive, scratches, trapped air or scorch marks, welding lines, etc.
2. Performance Requirements:
(1) Flame resistance of the material must comply with the requirements specified in GB/8410-2006, with a burning rate of ≤100mm/min.
(2) Compliance with automotive restricted and prohibited substances (ELV) as per GB/T 30512 "Requirements for Automotive Restricted and Prohibited Substances."
(3) Odor performance must meet FLTM BO 131-03 with a maximum rating of 3.
(4) Compliance with the latest standards in GB/T26988 "Recyclability Marking for Automotive Components" related requirements.
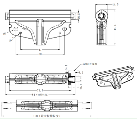
(5) Axial core extension effective stroke: 10MM, maximum stroke: 12MM.
(6) Single-side axial core tension: 15±2N.
(7) Durability requirement: >20000 cycles.
(8) Static high and low-temperature requirement: -40°C to 90°C.

3. Other Requirements:
(1) For dimensions not specified, refer to the dimension tolerance table for unspecified dimensions, and for dimensions not marked, refer to the 3D data.
(2) All positioning or assembly holes on plastic parts, as well as matching components with pins, should avoid deformation or warping.
(3) Prototype parts require approval from the engineering and quality departments.
(4) Axial cores must slide smoothly without jamming, rocking, abnormal noise, or sliding noise.
技术参数 | 总长 | 108MM | 耐久性能 | 环境温度 | 常温23℃ | 部件构成材料 | 外壳 | PC |
总宽 | 44.5MM | 实验方法 | 模拟伸缩行程12MM,往复为一次,2000次为一周期,连续2万次测试 | 拉簧 | 不锈钢 | |||
总高 | 14.5MM | 轴芯 | PA66 | |||||
阻值范围 | 13N | 拉杆 | POM | |||||
硬性阻值 | 13N | 耐久次数 | ≥2万次循环 | 拉杆套 | POM |

