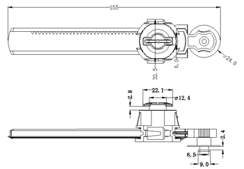
Component Parts
Less honorary seat: PC
Upper cover: PC
Rotor: POM
Gear: POM
O-RING: VMQ
Oil: silicone oil
Durability
Ambient temperature: normal temperature 23°
Conditions: One rotation (1 turn) / 1s - pause / 1s - Reverse rotation (1 turn) / 1s - pause / 1s
Lifetime: 30,000 times
Technical Specifications


Characteristic
Damper torque (23°C ambient temperature) changes with speed. Typically, torque increases with increasing rpm, as shown in the figure above
Temperature - torque characteristic (20r/min)
The torque of the damper (speed: 20r/min) changes with changes in ambient temperature. Typically, torque increases at lower temperatures and decreases at higher temperatures, as shown in the graph above

