Component Parts
Less honorary seat: PC
Upper cover: PC
Rotor: POM
Gear: POM
O-RING: VMQ
Oil: silicone oil
Durability
Ambient temperature: normal temperature 23°
Conditions: One rotation (1 turn) / 1s - pause / 1s - Reverse rotation (1 turn) / 1s - pause / 1s
Lifetime: 30,000 times
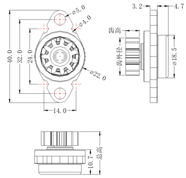
Technical Specifications

| Type | 11 | / | / | / |
| Number of teeth | 11 | / | / | / |
| Tooth width | ||||
| Product height | 18.5 | |||
| Module | 1.0 | / | / | / |
| Pitch circle diameter | Φ13 | |||
| Pressure angle | 20° | / | / | / |
| Material | POM | / | / | / |
Characteristic
Damper torque (23°C ambient temperature) changes with speed. Typically, torque increases with increasing rpm, as shown in the figure above
Temperature - torque characteristic (20r/min)
The torque of the damper (speed: 20r/min) changes with changes in ambient temperature. Typically, torque increases at lower temperatures and decreases at higher temperatures, as shown in the graph above
Temperature - torque characteristic (20r/min)



