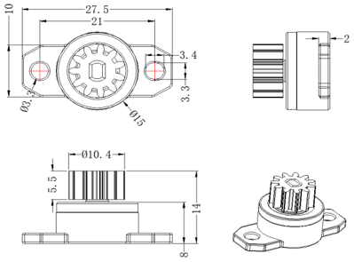
Less honorary seat: PC
Upper cover: PC
Rotor: POM
Gear: POM
O-RING: VMQ
Oil: silicone oil
●Ambient temperature: Normal temperature 23°
●Conditions: One rotation (1 turn) / 1s - pause / 1s - Reverse rotation (1 turn)/1s - pause / 1s
●Lifetime: 30000 times
●Precision Control: The advanced gear damping mechanism ensures the inner door handle operates with smooth, precise control, providing a luxurious feel.
●Enhanced Cabin Silence: By effectively reducing operational noise, these dampers contribute to a quieter, more serene cabin environment, enhancing overall driving comfort.
●Robust Durability: Engineered with high-quality, wear-resistant materials, Teao's gear dampers are built to withstand frequent use and harsh conditions, ensuring long-term reliability.
●Superior User Experience: Gear dampers for inner door handle for inner door handle provides a refined, premium touch to the door handle operation, significantly improving the tactile feedback and user satisfaction.
●Impact and Shock Absorption: Specifically designed to minimize sudden jerks and impacts, these dampers enhance safety and comfort for passengers.
●Consistent Performance: Optimized to perform reliably at standard temperatures of 23°C, ensuring consistent operation in diverse climates.
●Seamless Integration: Designed for effortless integration into both new and existing door handle mechanisms, these dampers are ideal for upgrading older models or incorporating into new vehicle designs.
●Adjustable Torque: Offers customizable torque settings, allowing manufacturers to fine-tune the handle operation to meet specific ergonomic and functional requirements.
●Wide Compatibility: Compatible with a variety of vehicle models, making them a versatile choice for enhancing the perceived quality of automotive interiors.
Unlock unparalleled quality and reliability for your industrial procurement needs with Teao's Gear Dampers for Inner Door Handles. Our precision-engineered dampers are tailored to meet the rigorous demands of your business, ensuring seamless integration and long-lasting performance in your automotive applications. Whether you require customized solutions or bulk purchasing options, Teao is your trusted partner for superior quality and tailored solutions, empowering your B2B ventures with excellence and efficiency.
| Type | 11 | / | / | / | 
| Number of teeth | 11 | / | / | / | 
| Tooth width | ||||
| Product height | ||||
| Module | 0.8 | / | / | / | 
| Pitch circle diameter | ||||
| Pressure angle | 20° | / | / | / | 
| Material | POM | / | / | / | 
 
											Damper torque (23°C ambient temperature) changes with speed. Typically, torque increases with increasing rpm, as shown in the figure above
 
											The torque of the damper (speed: 20r/min) changes with changes in ambient temperature. Typically, torque increases at lower temperatures and decreases at higher temperatures, as shown in the graph above
Gear Dampers for Inner Door Handle Demonstration Diagram
 
									
								 
			 
									



 
							 
							 
							 
							 
							 
							 
							 
							 
							 
							 
							 
							 
							 
							 
							